DIY Chonograph
- Galighenna
- Forenlegende

- Beiträge: 8836
- Registriert: 19.07.2004, 21:59
Re: DIY Chonograph
Die Stahlspitze wird ja magnetisiert. Dadurch verstärkt sich die Magnetfeldstörung. Selbst wenn das äußere Magnetfeld recht schwach ist, reicht es aus um die Metallspitze ein wenig zu magnetisieren. Dies stört dann das äußere Feld, was wiederum in der Messpule ein Messbares Signal erzeugt.
Das hat nur einen Nachteil. Ich vermute, mit Messing- oder Aluspitzen wird man da deutlich weniger messen. Hast du das auch mal getestet?
Das hat nur einen Nachteil. Ich vermute, mit Messing- oder Aluspitzen wird man da deutlich weniger messen. Hast du das auch mal getestet?
Übel übel sprach der Dübel,
als er elegant und entspannt
in der harten Wand verschwand
Wer das Forum unterstützen möchte, möge auf den Paypal-Button klicken, oder einen der Moderatoren um die Kontodaten bitten ;)
als er elegant und entspannt
in der harten Wand verschwand
Wer das Forum unterstützen möchte, möge auf den Paypal-Button klicken, oder einen der Moderatoren um die Kontodaten bitten ;)
Re: DIY Chonograph
Hallo Gali,
Messing und Alu gehen nicht. Ich hab das zwar nicht probiert, aber die Physik sagt, dass das nicht geht.
Wenn doch? Bekomme ich dann den Nobelpreis
Gruss biker99
Messing und Alu gehen nicht. Ich hab das zwar nicht probiert, aber die Physik sagt, dass das nicht geht.
Wenn doch? Bekomme ich dann den Nobelpreis
Gruss biker99
- Galighenna
- Forenlegende

- Beiträge: 8836
- Registriert: 19.07.2004, 21:59
Re: DIY Chonograph
Japp, die Physik sagt das das nicht geht. Da stimme ich dir zu. Deutlicher weniger beinhaltet ja auch, das man auch mal "NICHTS!" misst.

Absolut NICHTS! wird es jedoch nicht sein, da jedes Metall eine Auswirkung auf das Magnetfeld hat. Aber es dürfte klar sein, das sich diese Änderungen im Rauschen der Messung völlig verlieren.
Absolut NICHTS! wird es jedoch nicht sein, da jedes Metall eine Auswirkung auf das Magnetfeld hat. Aber es dürfte klar sein, das sich diese Änderungen im Rauschen der Messung völlig verlieren.
Übel übel sprach der Dübel,
als er elegant und entspannt
in der harten Wand verschwand
Wer das Forum unterstützen möchte, möge auf den Paypal-Button klicken, oder einen der Moderatoren um die Kontodaten bitten ;)
als er elegant und entspannt
in der harten Wand verschwand
Wer das Forum unterstützen möchte, möge auf den Paypal-Button klicken, oder einen der Moderatoren um die Kontodaten bitten ;)
- Archerbald
- Sr. Member

- Beiträge: 444
- Registriert: 19.03.2010, 00:01
Re: DIY Chonograph
Hm, das von mir oben genannte Verfahren aus der Lebensmitteltechnologie kann alle Metalle, ist vielleicht doch mal ein Versuch wert...
Re: DIY Chonograph
Messing und Alu kann man defektieren, wenn man ein Wechselfeld benutzt. Also das hier bereits bekannte PLL-Prinzip.
Alternativ kann man auch zwei nebeneinanderliegende Spulen verwenden. Die eine Spule wird mit einem Wechselfeld beaufschlagt. Das kann man dann über die andere Spule auskoppeln, verstärken, integrieren, etc. Bringt man nun ein Metall (egal welches) zwischen die Spulen, wird das ausgekoppelte Signal schwächer. Das kann man messen.
Auf diese Art arbeiten zum Beispiel elektronische Münzprüfer.
Alternativ kann man auch zwei nebeneinanderliegende Spulen verwenden. Die eine Spule wird mit einem Wechselfeld beaufschlagt. Das kann man dann über die andere Spule auskoppeln, verstärken, integrieren, etc. Bringt man nun ein Metall (egal welches) zwischen die Spulen, wird das ausgekoppelte Signal schwächer. Das kann man messen.
Auf diese Art arbeiten zum Beispiel elektronische Münzprüfer.
"Die Freiheit des Menschen liegt nicht darin, dass er tun kann was er will, sondern dass er nicht tun muss was er nicht will" (Jean-Jacques Rousseau)
Re: DIY Chonograph
Hallo zusammen,
ich mal/schon wieder.
Ein weiteres Zwischenergebnis hab ich für euch.
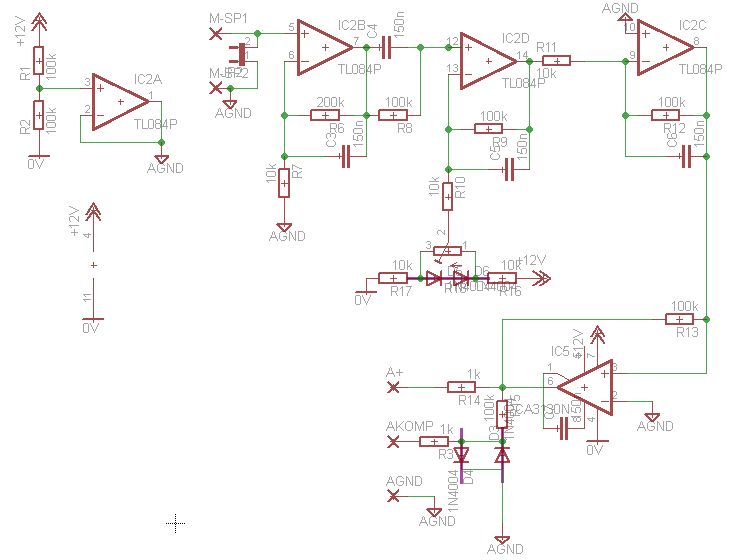
Hier mal die Schaltung. Zuerst die Spannungsversorgung und die Stomquellen für die Erregerspule:
Da ist auch der Ein/Ausschalter für Archerbald
. Die LED ist Schnickschnak.
Und hier der Messverstärker:
Eine Messung habe ich mit meinem Programm durchgeführt. Dazu musste ich das Signal messen und mit der Triggerpegelmethode die Zeiten ausmessen. Die Maximamethode muss ich noch etwas verfeinern. Die konnte ich hier nicht anwenden.
Hier das Messergebnis: So sah das Signal mit der Soundkarte gemessen aus und so mit der Soundkarte gemessen am Komparator. Das ist auch auswertbar. Aber nicht mit der aktuellen Software. Da lass ich mir noch was einfallen.
So jetzt sollte jemand mal versuchen das zu reproduzieren.
Ich mach da mal Schluss und versuche die Wechselspannungsmethode. Da hab ich auch schon eine Idee. Wenn ich da Ergenisse habe melde ich mich wieder.
Gruss Biker99
ich mal/schon wieder.
Ein weiteres Zwischenergebnis hab ich für euch.
Hier mal die Schaltung. Zuerst die Spannungsversorgung und die Stomquellen für die Erregerspule:
Da ist auch der Ein/Ausschalter für Archerbald
Und hier der Messverstärker:
Eine Messung habe ich mit meinem Programm durchgeführt. Dazu musste ich das Signal messen und mit der Triggerpegelmethode die Zeiten ausmessen. Die Maximamethode muss ich noch etwas verfeinern. Die konnte ich hier nicht anwenden.
Hier das Messergebnis: So sah das Signal mit der Soundkarte gemessen aus und so mit der Soundkarte gemessen am Komparator. Das ist auch auswertbar. Aber nicht mit der aktuellen Software. Da lass ich mir noch was einfallen.
So jetzt sollte jemand mal versuchen das zu reproduzieren.
Ich mach da mal Schluss und versuche die Wechselspannungsmethode. Da hab ich auch schon eine Idee. Wenn ich da Ergenisse habe melde ich mich wieder.
Gruss Biker99
Re: DIY Chonograph
Die Zeichnung für die Spannungsversorgung ist leider sehr pixelig. Sehe ich das richtig das du 2 Stück 2,6 V Längsregler in Stromschaltung verbaut hast?
Nächste Frage: hast du probiert ob die Schaltung auch mit 10 V läuft? Dann könnte man mit 12 V Eingangs Spannung arbeiten. Die wäre leichter zu erzeugen als 14 oder mehr Volt.
Walta
Nächste Frage: hast du probiert ob die Schaltung auch mit 10 V läuft? Dann könnte man mit 12 V Eingangs Spannung arbeiten. Die wäre leichter zu erzeugen als 14 oder mehr Volt.
Walta
Re: DIY Chonograph
Hallo Walta,
das sind zwei 78L02 im TO-92 Gehäuse. Natürlich arbeitet der Messverstärker auch mit 10V. Er lief ja vorher mit einem 9V Block. Bei den Stromquellen sieht es anders aus. Da must du rechnen. Es ist abhängig von deinen Spulendaten. Ich habe an meinen Spulen einen Widestand von 230 Ohm. Bei einem Strom von 30 mA ergibt das schon eine Spannung von 6,9 V. Der Längsregler mag 2V. Die Spannung am Messwiderstand beträgt auch 2V. Jetzt noch die Uce von 0,3 V und schon sind wir bei 11,2 V. Die restlichen 0,8 V muss der Längsregler vernichten. Das darf auch nicht zu viel werden wegen der max. Verlustleistung. Aber du kannst die Stromquellen ja vor den Längsregler für die Soannungsversorgung des Messverstärkers hängen. Sie brauchen keine stabilisierte Spannung. Wichtig. Vegiss die Freilaufdiode nicht. Ohne diese kannst du Spannungsregler venichten.
Gruss biker99
das sind zwei 78L02 im TO-92 Gehäuse. Natürlich arbeitet der Messverstärker auch mit 10V. Er lief ja vorher mit einem 9V Block. Bei den Stromquellen sieht es anders aus. Da must du rechnen. Es ist abhängig von deinen Spulendaten. Ich habe an meinen Spulen einen Widestand von 230 Ohm. Bei einem Strom von 30 mA ergibt das schon eine Spannung von 6,9 V. Der Längsregler mag 2V. Die Spannung am Messwiderstand beträgt auch 2V. Jetzt noch die Uce von 0,3 V und schon sind wir bei 11,2 V. Die restlichen 0,8 V muss der Längsregler vernichten. Das darf auch nicht zu viel werden wegen der max. Verlustleistung. Aber du kannst die Stromquellen ja vor den Längsregler für die Soannungsversorgung des Messverstärkers hängen. Sie brauchen keine stabilisierte Spannung. Wichtig. Vegiss die Freilaufdiode nicht. Ohne diese kannst du Spannungsregler venichten.
Gruss biker99
Re: DIY Chonograph
Hmm - da muss ich noch ein bischen nachlesen ob es noch eine andere Lösung für 12 v gibt.
Walta
Walta
- Galighenna
- Forenlegende

- Beiträge: 8836
- Registriert: 19.07.2004, 21:59
Re: DIY Chonograph
Ist ein bisschen eingeschlafen hier. Ich hatte aber auch keine Zeit zu tüfteln.
Wie siehts bei den andern aus?
Wie siehts bei den andern aus?
Übel übel sprach der Dübel,
als er elegant und entspannt
in der harten Wand verschwand
Wer das Forum unterstützen möchte, möge auf den Paypal-Button klicken, oder einen der Moderatoren um die Kontodaten bitten ;)
als er elegant und entspannt
in der harten Wand verschwand
Wer das Forum unterstützen möchte, möge auf den Paypal-Button klicken, oder einen der Moderatoren um die Kontodaten bitten ;)
- Archerbald
- Sr. Member

- Beiträge: 444
- Registriert: 19.03.2010, 00:01
Re: DIY Chonograph
Bei mir ging's leider auch nicht weiter, vielleicht komme ich im Spätherbst wieder dazu
Gruß
Archerbald
Gruß
Archerbald
- Archerbald
- Sr. Member

- Beiträge: 444
- Registriert: 19.03.2010, 00:01
Re: DIY Chonograph
Das Thema ist bei mir leider eingeschlafen, ich würde beim nächsten Anlauf die optische Variante verfolgen. Ist aber sehr unwarscheinlich, dass ich da in den nächsten Monaten wieder aktiv werde.
(wobei: LED Leiste mit Diffusor und Photodiode mit Schlitzblende und passendem Empfangswinkel, das ganze in Infrarot um gegen Fremdlicht unempfindlich zu sein, der uC mit LCD war für die Spulenlösung schon aufgebaut, IR Diode liegt rum, das Oszi liegt brach,hmm....nein,nein kein Zeit :-/)
Gruß Archerbald
(der sich nach der Lektüre der 3.BTBB gerade mit Pfeilbau beschäftigt)
(wobei: LED Leiste mit Diffusor und Photodiode mit Schlitzblende und passendem Empfangswinkel, das ganze in Infrarot um gegen Fremdlicht unempfindlich zu sein, der uC mit LCD war für die Spulenlösung schon aufgebaut, IR Diode liegt rum, das Oszi liegt brach,hmm....nein,nein kein Zeit :-/)
Gruß Archerbald
(der sich nach der Lektüre der 3.BTBB gerade mit Pfeilbau beschäftigt)
Re: DIY Chonograph
Hi,
Ich hab mir mal so nen Coil Chrony gebaut, Meiner hat 200 Wicklungen pro Spule und als Basis fand sich nen 160er Abflussrohr- verbinder zum aufwickeln. Die Gummidichtungen hab ich Aussen montiert um eine schöne Rille für das Wickeln zu haben . Unter und Über der Spule liegt noch jeweils etwas Alufolie zur Abschirmung, da Luftspulen ja auch als Antenne dienen und alles mögliche Andere auffangen können. Ob das was bringt weiss ich nicht, geschadet hats der Funktion jedenfalls nicht.
Danach in der Mitte entzweigesägt und nach Anleitung montiert und verkabelt.
So sieht das fertig aus;


War total einfach zu bauen, gekauft habe ich nur den Kupferdraht. Kosten gerade mal 6,35€
Anfangs musste ich mir nochmal die Anleitung zu Gemüte führen etwas mit dem "threshhold" Einstellungen variieren aber wenn das richtig Eingestellt ist gibts ein klares Signal wie in der Anleitung beschrieben und funktioniert auch ohne irgendwelche Verstärker oder Weitere Elektronik. Spitze muss natürlich magnetisiert sein oder nen kleiner Magnet reingeklebt werden. Ist natürlich schöner wenn man das nicht braucht aber dafür ist der Aufwand deutlich geringer.
Zur Genauigkei kann ich nix sagen da ichs noch nicht gegen einen "echten"Chrony gemessen hab. Wäre sowas bei mir Vorhanden hätte ich mir das Teil wahrscheinlich nicht gebaut
Hier sieht man mal die produzierten kurven, die Ersten sind mit magnetisiert und beim letzten hab ich eine etwas größeren ca 6mm Durchmesser Magneten direkt in einen Aluschaft eingeklebt vielleicht sieht deshalb die Kurve etwas anders aus.
Ich bin jedenfalls für die Aufgewendete Zeit und Kosten zufrieden damit.



Ich hab mir mal so nen Coil Chrony gebaut, Meiner hat 200 Wicklungen pro Spule und als Basis fand sich nen 160er Abflussrohr- verbinder zum aufwickeln. Die Gummidichtungen hab ich Aussen montiert um eine schöne Rille für das Wickeln zu haben . Unter und Über der Spule liegt noch jeweils etwas Alufolie zur Abschirmung, da Luftspulen ja auch als Antenne dienen und alles mögliche Andere auffangen können. Ob das was bringt weiss ich nicht, geschadet hats der Funktion jedenfalls nicht.
Danach in der Mitte entzweigesägt und nach Anleitung montiert und verkabelt.
So sieht das fertig aus;


War total einfach zu bauen, gekauft habe ich nur den Kupferdraht. Kosten gerade mal 6,35€
Anfangs musste ich mir nochmal die Anleitung zu Gemüte führen etwas mit dem "threshhold" Einstellungen variieren aber wenn das richtig Eingestellt ist gibts ein klares Signal wie in der Anleitung beschrieben und funktioniert auch ohne irgendwelche Verstärker oder Weitere Elektronik. Spitze muss natürlich magnetisiert sein oder nen kleiner Magnet reingeklebt werden. Ist natürlich schöner wenn man das nicht braucht aber dafür ist der Aufwand deutlich geringer.
Zur Genauigkei kann ich nix sagen da ichs noch nicht gegen einen "echten"Chrony gemessen hab. Wäre sowas bei mir Vorhanden hätte ich mir das Teil wahrscheinlich nicht gebaut
Hier sieht man mal die produzierten kurven, die Ersten sind mit magnetisiert und beim letzten hab ich eine etwas größeren ca 6mm Durchmesser Magneten direkt in einen Aluschaft eingeklebt vielleicht sieht deshalb die Kurve etwas anders aus.
Ich bin jedenfalls für die Aufgewendete Zeit und Kosten zufrieden damit.


